その他加工品
標準の枠を超え、設計の可能性を広げる。
断熱性能の向上から、意匠を極める曲面加工まで。
結露防止や断熱性を高める裏打加工や、柔らかな外観を演出するアルミ押出型材のR加工。
標準仕様に独自の技術を加え、高度な機能要求と細部への意匠のこだわりを実現します。
標準仕様に独自の技術を加え、高度な機能要求と細部への意匠のこだわりを実現します。
断熱(裏打)スパンドレル
特長
結露抑制
裏打材の装着により、温度差による結露発生を効果的に軽減
断熱性向上
建物の熱損失を抑え、空調効率の改善と快適な環境を実現
内装用
天井や内壁などの内装に最適
検証データが証明する、温度低下を最小限に抑える断熱構造
多量の空気を微細独立気泡の形で含んでいるので、すぐれた断熱性を示します。
たとえば3ℓ容細口ガラス試薬ビンの周囲を完全に断熱材で包んだあと沸騰水を満たし、1℃の低温室に入れて湯温の時間的変化を測定した結果は図に示すとおりです。
まったく保温しなかった場合に比べて温度低下がきわめて少ないことがわかります。

製品
| 製品画像 | ![]() |
![]() |
![]() |
|---|---|---|---|
| 断熱記号 | 断熱No1 | 断熱No2 | 断熱No3 |
| 対象スパンドレル | 面巾・型式 | 面巾・型式 | 面巾・型式 |
| ロールフォーミング | 100mm幅(OP100・AP100) | 120mm幅(OP120・AP120) | 150mm幅(OP150・AP150) |
| アルミ押し型材 | 100mm幅(AS105・AS100) | 120mm幅(AS120・AS125) | 150mm幅(AS150) |
| 図面データ |
※200mm(OP200・AP200)・300mm(AP300)スパンドレルの断熱(裏打)仕様に関しては別途ご相談ください。
アルミ押出型材付属品 R加工
特長
曲線美の実現
押出型材の剛性を保ちつつ、精密な曲げ加工で意匠を向上
一貫対応
スパンドレル本体と合わせた加工・塗装で、外観の統一感を維持
R加工記号:A 平面曲げ 外R(外曲げ、出隅)
| 対象型材付属品(廻り縁) | AY-10 AY-11 BY-10 BY-11 HY-10 LY-10 |
|---|
R加工記号:B 平面曲げ 内R(内曲げ、入隅)
| 対象型材付属品(廻り縁) | AY-10 AY-11 BY-10 BY-11 HY-10 LY-10 |
|---|
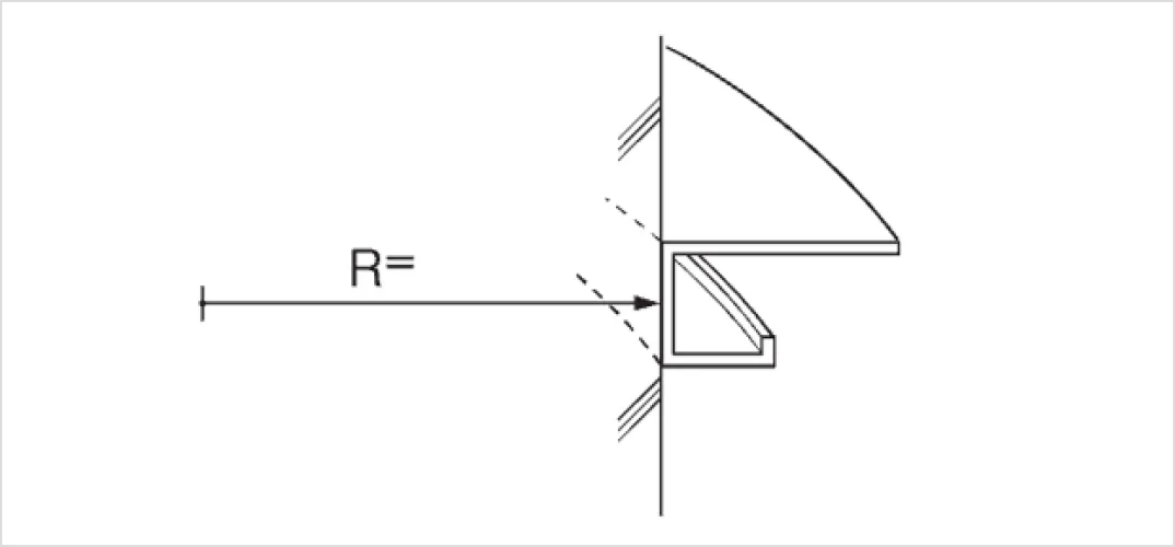
R加工記号:C アーチ曲げ 外R(外曲げ、出隅)
| 対象型材付属品(廻り縁) | AY-10 AY-11 BY-10 BY-11 HY-10 LY-10 |
|---|---|
| 対象型材付属品(Hジョイナー) | AY-60 BY-60 HY-60 LY-60 |
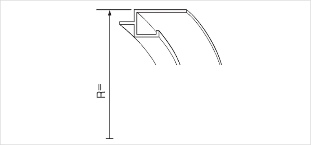
R加工記号:D アーチ曲げ 内R(内曲げ、入隅)
| 対象型材付属品(廻り縁) | AY-10 AY-11 BY-10 BY-11 HY-10 LY-10 |
|---|---|
| 対象型材付属品(Hジョイナー) | AY-60 BY-60 HY-60 LY-60 |
R加工共通のご留意事項
- その他アルミ押出型材付属品(BY-20・LY-20・BY-30・BY-35・BY-70)については別途ご相談ください。
- 製作可能な最小R(半径)は付属品の型式によって異なります。詳しくはご相談ください。
- R加工記号(A曲、B曲、C曲、D曲)にてご注文お願い致します。




